商品信息
基本参数
- 产地浙江
- 品牌
- 产品型号
- 产品操作
- 产品应用范围
- 产品材料等级
- 产品表面处理
- 品牌英科泵阀
- 型号CS49H
- 材质碳钢
- 驱动方式蒸汽
- 连接形式法兰
- 压力环境常压
- 工作温度区间≤550℃
- 零部件及配件阀体
- 形态法兰式
- 适用介质蒸汽
- 外形中型
- 流动方向单向
- 类型(通道位置)直通式
- 工作温度高温
- 种类圆盘式
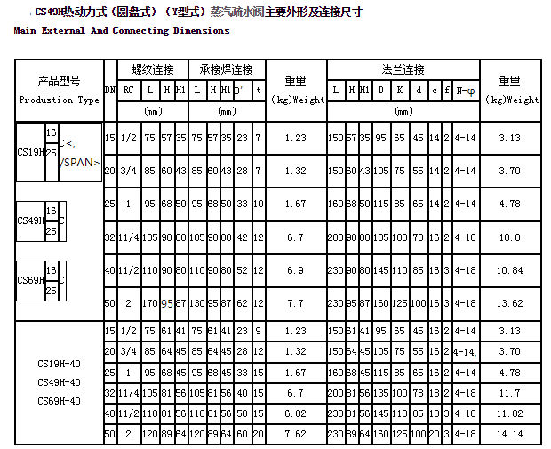
- 规格15-50
- 重量10kg
- 产地温州
- 厂家永嘉县英科泵阀有限公司
产品简介:
产品详情:CS49H碟式疏水阀主要特性:
盘式疏水阀CS49H,构造简便,价位廉价,动作确实。漏气率<3%,不受压力波动的影响,压力范围宽。由于密封面为不锈钢,使用寿命比国内同类产品高产品。
CS49Hdisc疏水阀订购解释:
1.①产品称呼和型号②公称直径③阀体材质④公称压力⑤采用介质⑥连接方式(螺纹,焊接,法兰)⑦工作温度⑧额定流量系数⑨是不是带配件以便我们选择为您选择正确的种类。
2.如有特别要求,请在订购产品时注明
3.如果设计单位选择了模型,请根据模型直接向我们的销售机构订购。
4.当采用场合十分关键或环境更为繁复时,请尝试提供设计图纸


