基本参数
- 产地浙江
- 品牌
- 产品型号
- 产品操作
- 产品应用范围
- 产品材料等级
- 产品表面处理
- 品牌英科泵阀
- 型号T47H
- 材质铸钢
- 驱动方式热力
- 连接形式螺纹
- 压力环境常压
- 工作温度区间0-220
- 零部件及配件阀体
- 适用介质蒸汽
- 外形中型
- 流动方向单向
- 类型(通道位置)直通式
- 工作温度高温
- 种类蒸汽压力式
- 规格15-50
- 重量6kg
- 产地温州
- 厂家英科
产品简介:
产品详情:1.T47H浮球式steam疏水调节阀描述:
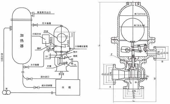
T47H-16c或Q浮球式疏水调节阀(前苏联原模型T47H16c浮球式调节阀引入)适用于发电站,化学,制药,造纸和其他行业中含有加热器的工业机构,以调节脱气罐的水位。有效性支配加热器中水量的装置。
2.T47H浮球式蒸汽疏水调节阀构造特性和工作原理
1.该阀尺寸较大,适用于较大的背压,不会泄漏蒸汽,排出的冷凝水相近蒸汽压力饱和水,有助于提高阀门装置的热效率以及二次蒸汽利用的节能属性。
2.阀门随着冷凝水位升高。当浮球从盖的底面升高到403mm时,阀门全然开启以容许冷凝结水排放到水箱中;当浮球降低113mm时,阀门全然关闭。冷凝水不能流动从而可以将浮球安定地限制在113-403mm的空间范围内转变,从而使阀门只能排放空气和水达到高温,有着预防蒸汽泄漏的优越性。
3.该阀运用冷凝水水位的变化使浮子起落,也可通过手柄操作,带动下部开闭设备的开,关,实现排水功用和气体堵塞。
3.T47H浮球式蒸汽疏水调节阀技术图表:
四,T47H浮球式蒸汽疏水调节阀主要外观和连接尺寸
MainExternal And Connecting Dinensions:
产日model
公称通径
主要尺寸
连接尺寸
@每@
宽度
@每@
L1
L2
中号
广告
D1
D2
b
-
DN
蓝光
D1
D2
b
z一φd
T41H-16C
40
460
540
964
160
240
385
145
110
85
18岁
4×18
40
145
110
85
18岁
4×18
50
160
125
100
20
4×18
80
195
160
135
二十二
8×18
100
215
180
155
25
8×18
150
470
560
980
280
240
210
30
8×23
五,T47H浮球式蒸汽疏水调节阀的订购解释:
下载谷歌
1.①产品称呼和型号②公称直径③阀体材质④公称压力⑤采用介质⑥连接方式(螺纹,焊接,法兰)⑦工作温度⑧额定流量系数⑨是不是带附件以便我们选择为您选择正确的类别2。如果有特别要求,请在订购产品时注明
3.如果设计单位选择了模型,请根据模型直接向我们的销售机构订购。
4.当用到场合十分举足轻重或环境越发繁复时,请尝试提供设计图纸