基本参数
- 产地浙江
- 品牌
- 产品型号
- 产品操作
- 产品应用范围
- 产品材料等级
- 产品表面处理
- 品牌英科泵阀
- 型号SKA
- 输送介质其他
- 驱动方式电动泵
- 介质温度类型常温泵
- 材质铸铁
- 最大出口压力数值0.26MPa
- 额定流量Q80m3/h
- 叶轮级数单级泵
- 吸入方式单吸泵
- 叶轮结构封闭式叶轮
- 壳体型式节段式
- 泵轴位置卧式泵
- 结构类型罗茨式
- 轴功率Pa0.81-15kW
- 吸入口直径Ds25-80mm
- 排出口直径Dd25-80mm
- 介质温度15℃~20℃,不允许超过55℃~60℃
- 工作温度15℃~20℃,不允许超过55℃~60℃
- 环境温度15℃~20℃,不允许超过55℃~60℃
- 额定转速2850n
- 产地温州
- 厂家英科
产品简介:
产品详情:铸铁水环真空泵SKA真空泵
铸铁水环类型真空泵SKA真空泵使用目的和范围:
SKA系列真空泵适用于抽出气体和水蒸气,吸入压力达到33mbar绝对压力(真空度为97%),当吸入压力小于80mbar时,当真空泵应当连接到气体上,以便长期工作腐蚀保护管可以保护泵,如果装备大气喷射器,则吸入压力可以达到10mbar,并且喷射器可以直接安装在真空泵上。当当做压缩机时,其压力可达到0.26mpa(绝对压力)。nz@,压缩机广泛用以石化,制药,食品,制糖工业和其他领域。由于气体压缩过程在工作过程中是等温的,因此在压缩和泵送易燃气体和爆炸性气体时,并未险恶,其应用范围愈发广泛。
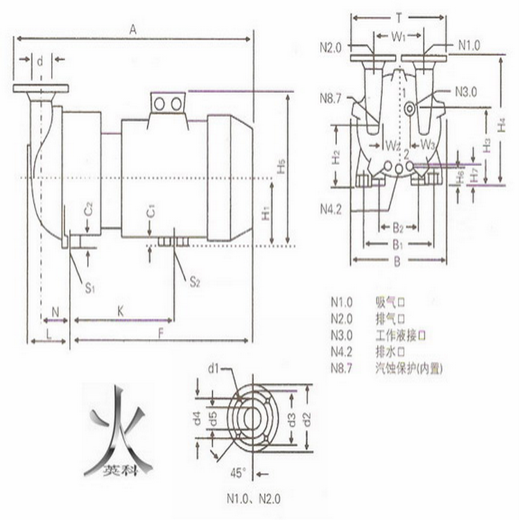
SKA系列水环式真空泵连接尺寸:
SKA系列水环式真空泵连接尺寸:
SKA系列水环式真空泵装置安装:
1.泵的安装:
在安装真空泵和压缩机时,安装表面必须水准,并通过螺栓越过底角的孔坚固安装。为预防焊渣在安装过程中进入真空泵,应在过滤器上安装过滤器。安装过程中的吸水管。
2.气水分离器的安装
气水分离器可以直接安装在真空泵的排气口上,并用螺栓稳固地固定。气水分离器泵上连接有一条管道,该管道可以满足泵的工作水需要,其余的工作水可以供应通过供水管,供水由管道上的阀门调节。
真空泵或压缩机的进气管应装有止回阀,以防范真空泵或压缩机中的水在排气管停止时在排气管的压力下回流到系统中。
SKA系列水环式真空泵开始和停止:
1.开始
已停止很长时间的泵必须用手旋转几次,然后才能开始认定泵中并未阻塞或其他损坏。
按以下顺序启动(请参看图5)
(1)敞开排气管阀。
(2)启动电动机(留意电动机的正反转)
(3)迅速敞开图5中的供水管2,逐渐增加供水量,直到供水量达到指定要求(留意不必将真空泵空转)。
2.停车
按以下顺序停车:
(1)(如果进气管上有阀门)关闭进气管上的阀门。
(2)关闭供水管2,并很快关闭真空泵。
(3)停车后,应将泵腔中的水排干,以免重新启动时引起叶片和泵轴的断裂。
SKA系列水环式真空泵维护:
1.为避免磨损叶轮,泵体或卡住叶轮,可通过泵底部的冲洗口冲洗掉与气体和工作液一同进入泵腔的尘埃。
2.如果使用硬水作为工作流体,则一定时间内必须将其软化或用溶液清洗泵。
3.正常工作的电动机轴承温度比周围温度高15℃〜20℃,不容许超过55℃〜60℃。正常运转中的轴承应每年上油1-2次,并且轴承应最少每年清洗一次,并应使用所有润滑剂。取而代之。
4.如果使用的机器密封件似乎泄漏,请检验机器密封件的动环和静环是不是损坏,或密封环是不是老化。如果时有发生上述情形,则需更换新零部件。
SKA系列水环式真空泵故障及排除方式:
SKA系列水环式真空泵订购解释:
1.真空泵称谓(旋转件类型真空泵,旋片泵,单级旋转件类型真空泵,直接连接类型旋片真空泵,水环泵,水环真空泵,直接连接类型水环真空泵,滑阀泵);
2.真空泵型号(2X,XZ,2xz,XD,SK,SZ,SZB,2sk,2bv,SKA,H-150);
3.真空泵抽速(1-150l/sec);
4.真空泵功率(0.12-132kw);
5.真空泵使用电压(AC200V,AC380V);
6.真空泵使用行业(原油化工,制药,食品,药物,真空包装,真空泄漏等);
真空泵SKA2060水环式真空泵制造商
SKA系列水环式真空泵使用目的和范围:
SKA系列真空泵适用于抽出气体和水蒸气,吸入压力达到33mbar绝对压力(真空度为97%),当吸入压力小于80mbar时,当真空泵应当连接到气体上,以便长期工作腐蚀保护管可以保护泵,如果装设大气喷射器,则吸入压力可以达到10mbar,并且喷射器可以直接安装在真空泵上。当当做压缩机时,其压力可达到0.26mpa(绝对压力)。nz@,压缩机广泛用以石化,制药,食品,制糖工业和其他领域。由于气体压缩过程在工作过程中是等温的,因此在压缩和泵送易燃气体和爆炸性气体时,从未凶险,其应用范围愈发广泛。水环真空泵SKA2061水环式真空泵manufacturer
SKA系列水环式真空泵工作原理:
per(1)表示叶轮3偏心地安装在泵体中,并且在启动时将一定高度的水注入到泵中。因此,当叶轮3旋转时,水受到离心力以在泵体的内壁上形成旋转。水环1,水环下部的内表面与轮毂相切,并沿箭头方向旋转。在旋转的前半部分,水环的内表面逐渐与轮毂分开。因此,在叶轮叶片与水环之间形成封闭空间。当旋转时,空间逐渐扩展,空间中的气压下降,并且气体从光盘吸入口被吸入;在旋转的后半段,水环的内表面逐渐相近轮毂,叶片之间的空间逐渐缩小,空间气体压力增加;当压力大于排气口时,叶片之间的气体这样,每当叶轮旋转一次时,叶片之间的空间就被抽吸和排出一次,许多空间连续工作,并且泵不断地抽吸或抽吸气体。
在工作过程中,工作产生的热能将致使工作水环变热,部分水和气体将一同排出。因此,在工作过程中,必须连续向泵供水,以降温并补充泵中耗费的水。,满足抽水机的工作要求。
当不再使用泵排出的气体时,气水分离器将连接到泵的排气口。废气和其中携带的一些水排入气水分离器后,气体和水被分开,气体从排气管排出,余下的水通过回水管输送到泵中,以供回收。随着工作时间的延长,工作水的温度将继续上升。此时,需从供水管中供应冷水,以减低工作水的温度,并保证泵能够满足所需的技术要求和性能指标。
水环式真空泵manufacturer水环真空泵SKA2070
SKA系列水环式真空泵性能参数:
注:1.表中列出的数据是在以下条件下测量的:
①大气压101325pa(1013mbar)
②进水温度15℃
③吸入空气温度为20℃
④空气相对湿度为70%
2.性能公差:±10%




